安徽省退役军人事务厅安徽省财政厅关于调整部分优抚对象等人员抚恤和生活补助标准的通知
各市、县(市、区)退役军人事务局、财政局:
根据《退役军人事务部财政部关于调整部分优抚对象等人员抚恤和生活补助标准的通知》(退役军人部发〔2025〕42号)规定,从2025年8月1日起调整部分优抚对象等人员抚恤和生活补助标准,现就有关事项通知如下:
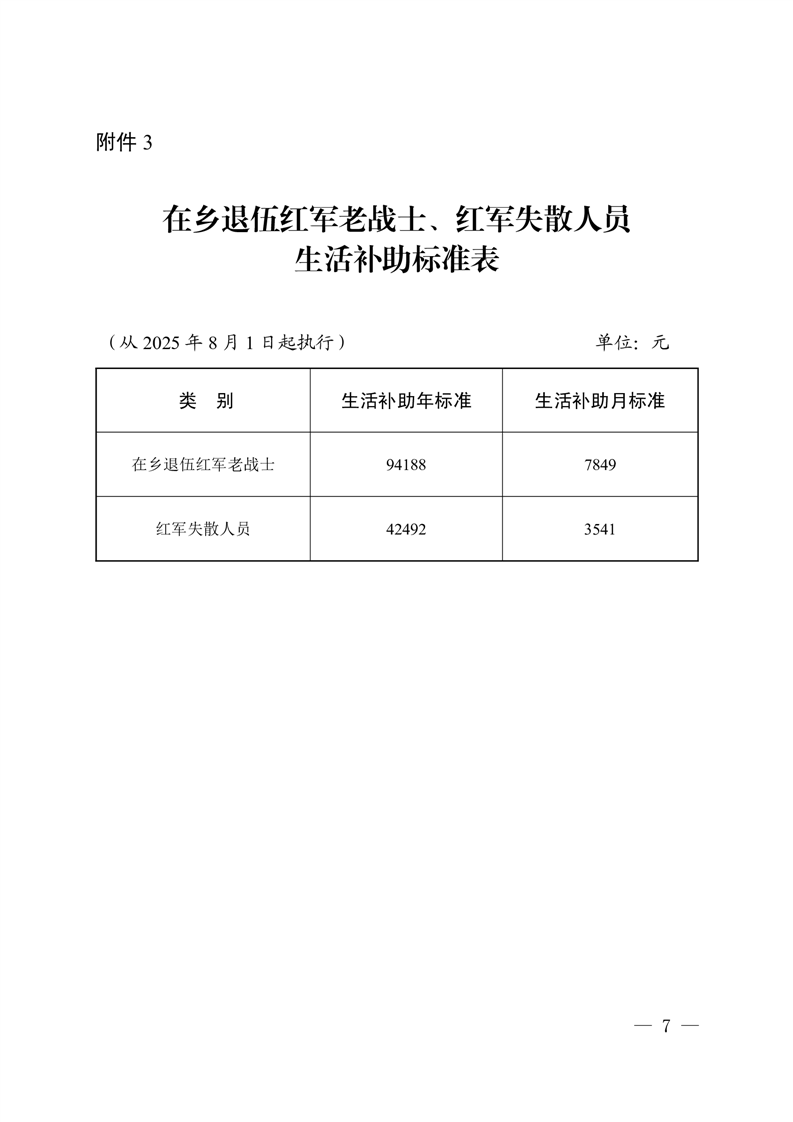
一、提高残疾军人(含伤残人民警察、伤残预备役人员和民兵民工、其他因公伤残人员)的残疾抚恤金、烈士遗属(含因公牺牲军人遗属、病故军人遗属)的定期抚恤金、在乡退伍红军老战士(含红军失散人员)的生活补助标准,调整后的标准见附件,所需经费由中央财政承担。
二、各地要按照《军人抚恤优待条例》规定,加大资金投入,提高在乡老复员军人的生活补助标准,切实保障其生活水平。在乡老复员军人在现行补助标准的基础上,每人每年提高713元,所需经费由中央财政承担。提高后的补助标准为:抗日战争时期入伍的,提至每人每年26914元(其中,中央财政补助标准为每人每年24894元,省级财政补助标准为每人每年150元,市县级财政补助标准为每人每年1870元);解放战争时期入伍的,提至每人每年26114元(其中,中央财政补助标准为每人每年24534元,省级财政补助标准为每人每年150元,市县级财政补助标准为每人每年1430元);新中国成立后入伍的,提至每人每年25934元(其中,中央财政补助标准为每人每年24534元,省级财政补助标准为每人每年150元,市县级财政补助标准为每人每年1250元)。
三、带病回乡退役军人在现行补助标准基础上,每人每年提高300元(其中,中央财政承担180元,占60%,县级财政承担120元,占40%),提高后的补助标准为每人每年10188元(其中,中央财政补助标准为每人每年6072元,县级财政补助标准为每人每年4116元)。
四、在农村的和城镇无工作单位且家庭生活困难的参战退役
军人,不符合评残和享受带病回乡退役军人生活补助条件、但患病或生活困难的农村和城镇无工作单位的原8023部队退役军人,以及其他参加核试验退役军人(含参与铀矿开采退役军人等),在现行补助标准的基础上,每人每年提高324元(其中,中央财政承担192元;余下的132元中,省级财政承担60%,即79.2元,市县级财政承担40%,即52.8元),提高后的补助标准为每人每年10968元(其中,中央财政补助标准为每人每年6540元,省级财政补助标准为每人每年2656.8元,市县级财政补助标准为每人每年1771.2元)。
五、对居住在农村和城镇无工作单位、18周岁之前没有享受过定期抚恤金待遇且年满60周岁的烈士子女(含新中国成立前错杀后被平反人员的子女),在现行补助标准基础上,每人每年提高264元,提至每人每年9036元,所需经费由中央财政承担。
六、对从1954年11月1日试行义务兵役制后至《退役士兵安置条例》施行前入伍、年龄在60周岁以上(含60周岁)、未享受到国家定期抚恤补助的农村籍退役士兵,在现行补助标准基础上,每服一年义务兵役每人每年提高24元,提至每服一年义务兵役每人每年补助744元,所需经费由中央财政承担。
七、提高新中国成立前加入中国共产党的农村老党员和未享受离退休待遇的城镇老党员的生活补助标准,提高后的补助标准为:1937年7月7日至1945年9月2日入党的,提至每人每年12336元;1945年9月3日至1949年9月30日入党的,提至每
人每年11148元。已享受优抚对象抚恤补助的老党员,不执行上述调整,仍按每人每年600元标准发给生活补助。所需经费由中央财政和省级财政各承担50%。
八、各地要认真落实本地区应安排的资金,统筹省级以上相关资金,严格落实抚恤补助资金按月发放规定,确保及时、准确、足额地把抚恤补助资金发放到优抚对象等人员手中。
九、各地要扎实做好优抚对象年度确认工作,持续加强优抚对象信息数据动态管理,不断提升数据质量,确保财政资金安全。
附件:1.残疾军人、伤残人民警察、伤残预备役人员和民兵民工、其他因公伤残人员残疾抚恤金标准表
2.烈士遗属、因公牺牲军人遗属、病故军人遗属定期抚恤金标准表
3.在乡退伍红军老战士、红军失散人员生活补助标准表
4.安徽省部分优抚对象等人员生活补助标准表




智能问答
首页
政务资讯
信息公开
办事服务
互动交流
退役军人之窗
皖公网安备 34150102000217号